Recherche schéma Atlantic AOYG 18 KBTB
Actuellement
10 349
questions dans le
forum climatisation
10305
Question Forum Dépannage Climatisation : Recherche schéma Atlantic AOYG 18 KBTB
Bonsoir.
Panne carte de régulation unité extérieure climatisation Atlantic AOYG 18 KBTB ne délivre plus de 220v pour commander la vanne 4 voies.
Je cherche donc le schéma pour essayer de la réparer vu son prix...
Merci d'avance.
Panne carte de régulation unité extérieure climatisation Atlantic AOYG 18 KBTB ne délivre plus de 220v pour commander la vanne 4 voies.
Je cherche donc le schéma pour essayer de la réparer vu son prix...
Merci d'avance.
13 octobre 2025 à 22:21
Réponse 1 forum dépannage climatisation-climatiseurs
Recherche schéma Atlantic AOYG 18 KBTB
Bonjour.
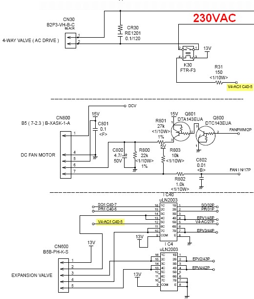
Le schéma détaillé de ce modèle ne semble pas dispo. Je vous mets pour info celui d'une autre machine Fuji. Sans garantie du principe ni de la numérotation des composants. La pin 5 du ULN est pilotée directement par la pin 27 du microP.
Pour agrandir l'image, cliquez dessus.

Le schéma détaillé de ce modèle ne semble pas dispo. Je vous mets pour info celui d'une autre machine Fuji. Sans garantie du principe ni de la numérotation des composants. La pin 5 du ULN est pilotée directement par la pin 27 du microP.
Pour agrandir l'image, cliquez dessus.

14 octobre 2025 à 00:49
Réponse 2 forum dépannage climatisation-climatiseurs
Recherche schéma Atlantic AOYG 18 KBTB
Bonjour Dom-Aom.
Merci de m'avoir répondu.
A priori cela ne correspond pas avec la doc que j'ai pu trouvé !
Le connecteur serait le P60.
Bonne journée
Merci de m'avoir répondu.
A priori cela ne correspond pas avec la doc que j'ai pu trouvé !
Le connecteur serait le P60.
Bonne journée
14 octobre 2025 à 09:27
Réponse 4 forum dépannage climatisation-climatiseurs
Recherche schéma Atlantic AOYG 18 KBTB
Oui, mais peu importe, je suis quasi sûr que le principe de commande de la V4V est inchangé entre les diverses évolutions des cartes de cette marque. A savoir un relais piloté par un ULN. A vous de vérifier si le canal ULN inverse bien et si le relais est fonctionnel (bobine pas coupée et contacts propres).
14 octobre 2025 à 16:29
Pour poser une réponse, vous devez être identifié.
Si vous ne possédez pas de compte, créez-en un ICI.
Si vous ne possédez pas de compte, créez-en un ICI.
Questions apparentées dans le forum Climatisation
- 1. Recherche schéma fluidique Daikin U extérieure RZQ 125B8W1B
- N°4247 : Bonjour à toutes et tous, Je fais appel à toutes les bonnes volontés pour trouver le schéma fluidique de mon groupe extérieur Daikin RZQ 125 B8W1B en 400V. Numéro de série : 160 04 66 Je suis en panne avec ma PAC depuis...
- 2. Pb clim Atlantic Fujitsu AOY18-055IFS et 2 splits ASYA07LACM
- N°6804 : Bonjour. Tout d'abord, je tiens à remercier vivement les contributeurs qui consacrent leur temps pour venir en aide à ceux qui ont des soucis avec leur clim. J'ai laissé mon obole dans la cagnotte en espérant que beaucoup...
- 3. Vitesse turbine pompe à chaleur Fujitsu Atlantic
- N°6086 : Bonjour, J'ai une "vieille" PAC air/air Fujitsu Atlantic aby 18 ubbn (elle était déjà là lorsque j'ai acheté la maison en 2010, et cette clim a été conçue en 2006 il me semble), pour une raison inconnue, une des deux...
- 4. Unité extérieure Fujitsu Atlantic fait sauter différentiel 30mA
- N°9579 : Bonjour à tous. J'ai une "grosse" unité extérieure de 6 split Atlantic/Fujitsu AOYG45LBLA6 installée "proprement" depuis un peu plus de 3 ans. Il y a 5 unités intérieures connectées dessus. Depuis hier, elle me fait...
- 5. Erreur communication climatisation ASYG07LJCA / AOYG 14 LAC2
- N°7003 : Bonjour à tous. J'ai posé à mon domicile une climatisation Atlantic-Fujitsu. il y a 2 UI et 1 UE. Les références sont les suivantes : - ASYG07LJCA pour les UI - AOYG 14 LAC2 pour l'UE La clim ne fonctionne pas. En...
- 6. Recherche de panne fusible F1U qui grille
- N°6992 : Bonjour. Je suis l'heureux propriétaire (enfin pas aujourd'hui !) d'une pompe à chaleur gainable Daikin. UE : RZQ100B9V3B1 année 2006 UI : FBQ100B8V3B année 2006 Boitier de commande : BRC1D52 Il y a quelques semaines...
- 7. 2 climatiseurs Atlantic sur 4 fonctionnent
- N°9487 : Bonjour. J'ai un souci que je ne parviens pas à résoudre. Aussi, je sollicite votre aide, je vous prie. Si vous avez des idées. - Climatisations 4 splits. - Groupe extérieur Atlantic AOYG 30LAT4 (je précise, il n'y a...
- 8. Panne PAC AOY30LMAW4 Atlantic / Futjisu
- N°6459 : Bonjour. Je possède une pompe à chaleur AOY30LMAW qui n'a fonctionné qu'une centaine d'heures et avec qui j'ai eu pas mal de problèmes concernant la platine de régulation qui est tombée en panne suite à un problème de...
- 9. PAC Air Eau Atlantic Fujitsu de nouveau en panne
- N°2638 : Bonjour à toutes et tous. Après avoir parcouru ce forum riche en interventions diverses je m'en remets à vous avant de prendre la décision de jeter ma pompe à chaleur à la déchetterie et repasser sur une simple chaudière...
- 10. Explications schéma unité extérieure inverter
- N°2717 : Bonjour. En cours de réparation sur une climatisation AUX Inverter ASW-H14A4 / SAR1DI je m'interroge sur l'interaction entre les 4 différentes cartes présentes dans l'unité extérieure. Le schéma en PJ est froissé, mais...
- 11. Panne climatiseur quadri-split Atlantic AOY30LMAW4
- N°9570 : Bonjour à tous. Je suis ravi de rejoindre ce forum sur la climatisation, qui regorge de bonnes idées pour résoudre les pannes électriques. Je suis impressionné par le niveau technique de certains membres, notamment en ce...
Informations sur le forum Climatisation
Informations sur le moteur du forum Mentions légalesMentions légales :Le contenu, textes, images, illustrations sonores, vidéos, photos, animations, logos et autres documents constituent ensemble une œuvre protégée par les lois en vigueur sur la propriété intellectuelle (article L.122-4).
Aucune exploitation commerciale ou non commerciale même partielle des données qui sont présentées sur ce site ne pourra être effectuée sans l'accord préalable et écrit de la SARL Bricovidéo.
Toute reproduction même partielle du contenu de ce site et de l'utilisation de la marque Bricovidéo sans autorisation sont interdites et donneront suite à des poursuites. >> Lire la suite








