Clim RAM-130QH5 Hitachi en panne
Actuellement
10 434
questions dans le
forum climatisation
10373
Question Forum Dépannage Climatisation : Clim RAM-130QH5 Hitachi en panne
Bonjour.
Je me suis lancé au défis de réparer la clim de mes parents, voici le résumer de la situation
un des deux bloc ne fonctionne plus (celui du haut).
Pendant le bloc indépendant du bas fonctionne parfaitement.
Un réparateur est intervenu et a remplacé 2 fois de suite l’ensemble des cartes électroniques, en vain! Elle ont toute claqué au branchement.
Ensuite j’arrive ..
Mon constat :
- Un Narrow pipe (capteur température) en court-circuit a la masse.
- REG 1 (régulateur 12V vers 5V) HS a priori et a énormément chauffé
Donc -> changement de REG 1 + changement du Narrow pipe.
Ensuite branchement de la carte, AUCUN signe de vie aucune LED coté MAIN PWB.
Bon ..
Petit test, je me rend compte que aux bornes entrée de REG1 je n’ai que 8V au lieu de 12V, en sortie 4.5V parfois moins.
Quand je débranche le connecteur CN4 je monte a 30V !!! Et la REG 1 ce met a chauffer (logique)
Le condo C402 (5V sur la MAIN-PWB) affichait 0 V, alors qu’il devrait voir au moins les 4–5 V irréguliers venant de REG1.
Donc cela expliquerais le 0 signe de vie ..
J’ai remplacé les condo C716 et C708.
C716 c’est mon gros suspect car potentiellement c’esy lui qui absorbais le 5V …
Bref a l’heure ou j'écris la carte est débranché totalement, remplacé les deux condos.
J’ai tester les anciens condos, visuellement ils sont OK, a l’ohmetre ils se chargent bien.
Après est-ce qu’ils sont bon je sais pas.
Je tenterais de rebrancher prochainement mais j’avoue que j’ai peur de l'échec.
Quels test je peux faire avec mon multimètre carte débranchée ? Pensez vous que le remplacement des condo va tout remettre en ordre?
Voila une panne bien compliquée a diagnostiquer. Vous en pensez quoi ?
Cordialement
Pour agrandir l'image, cliquez dessus.

Je me suis lancé au défis de réparer la clim de mes parents, voici le résumer de la situation
un des deux bloc ne fonctionne plus (celui du haut).
Pendant le bloc indépendant du bas fonctionne parfaitement.
Un réparateur est intervenu et a remplacé 2 fois de suite l’ensemble des cartes électroniques, en vain! Elle ont toute claqué au branchement.
Ensuite j’arrive ..
Mon constat :
- Un Narrow pipe (capteur température) en court-circuit a la masse.
- REG 1 (régulateur 12V vers 5V) HS a priori et a énormément chauffé
Donc -> changement de REG 1 + changement du Narrow pipe.
Ensuite branchement de la carte, AUCUN signe de vie aucune LED coté MAIN PWB.
Bon ..
Petit test, je me rend compte que aux bornes entrée de REG1 je n’ai que 8V au lieu de 12V, en sortie 4.5V parfois moins.
Quand je débranche le connecteur CN4 je monte a 30V !!! Et la REG 1 ce met a chauffer (logique)
Le condo C402 (5V sur la MAIN-PWB) affichait 0 V, alors qu’il devrait voir au moins les 4–5 V irréguliers venant de REG1.
Donc cela expliquerais le 0 signe de vie ..
J’ai remplacé les condo C716 et C708.
C716 c’est mon gros suspect car potentiellement c’esy lui qui absorbais le 5V …
Bref a l’heure ou j'écris la carte est débranché totalement, remplacé les deux condos.
J’ai tester les anciens condos, visuellement ils sont OK, a l’ohmetre ils se chargent bien.
Après est-ce qu’ils sont bon je sais pas.
Je tenterais de rebrancher prochainement mais j’avoue que j’ai peur de l'échec.
Quels test je peux faire avec mon multimètre carte débranchée ? Pensez vous que le remplacement des condo va tout remettre en ordre?
Voila une panne bien compliquée a diagnostiquer. Vous en pensez quoi ?
Cordialement
Pour agrandir l'image, cliquez dessus.

05 décembre 2025 à 00:46
Réponse 1 du forum-climatisation-climatiseurs
Clim RAM-130QH5 Hitachi en panne
Bonjour.
Il y a des incohérences dans votre prose. Vous dites qu'en enlevant le CN4, ça libère la tension sur le 7805. Mais dans ce cas, le condo que vous croyez en CtCt est toujours connecté... Et puis ce ne serait pas en fait le CN3 que vous enlevez, car ils se ressemblent?
D'autre part, vous dites que le 5V monte à 30V. Franchement, je ne vois pas comment ce serait possible. Vous n'auriez pas pris une "mauvaise" masse, car il y a plusieurs 0V chez Hitachi.
Quand vous mettez la bécane sous tension, on doit entendre un clac de relais après 3 secondes. Le relais est commandé par le microP situé sur la carte Main. Confirmez éventuellement avec la demi-machine toujours bonne.
Les 3 cartes "ont toutes claqué au branchement" avec le frigoriste. C'est à dire? Des composants noirs ou éclatés?... Vous avez toujours ces cartes?
Est-ce que les 35VDC sont présents sur toutes les sorties vers les UI (comme sur la demi-machine bonne)?
Une source de panne courante est le ventilo de l'UE qui serait grillé. Essayez sans lui. Mais attention à ne jamais enlever ou retirer son câble avec la machine sous tension, vous le grilleriez
Il y a des incohérences dans votre prose. Vous dites qu'en enlevant le CN4, ça libère la tension sur le 7805. Mais dans ce cas, le condo que vous croyez en CtCt est toujours connecté... Et puis ce ne serait pas en fait le CN3 que vous enlevez, car ils se ressemblent?
D'autre part, vous dites que le 5V monte à 30V. Franchement, je ne vois pas comment ce serait possible. Vous n'auriez pas pris une "mauvaise" masse, car il y a plusieurs 0V chez Hitachi.
Quand vous mettez la bécane sous tension, on doit entendre un clac de relais après 3 secondes. Le relais est commandé par le microP situé sur la carte Main. Confirmez éventuellement avec la demi-machine toujours bonne.
Les 3 cartes "ont toutes claqué au branchement" avec le frigoriste. C'est à dire? Des composants noirs ou éclatés?... Vous avez toujours ces cartes?
Est-ce que les 35VDC sont présents sur toutes les sorties vers les UI (comme sur la demi-machine bonne)?
Une source de panne courante est le ventilo de l'UE qui serait grillé. Essayez sans lui. Mais attention à ne jamais enlever ou retirer son câble avec la machine sous tension, vous le grilleriez
05 décembre 2025 à 18:59
Réponse 2 du forum-climatisation-climatiseurs
Clim RAM-130QH5 Hitachi en panne
Merci pour votre retour complet.
Voici les précisions sur les mesures :
- Avec tout branché, en entrée de REG1 j’obtiens 7–8 V au lieu des 12 V attendus, et en sortie ça oscille mais reste plutôt autour de 2–3 V parfois 4V (je prenait la terre sur la terre du régulateur la patte du milieu)
- Je suis certain que c’est en débranchant CN4 que la tension d’entrée de REG1 est montée vers 30 V.
En revanche, débrancher CN3 n’a pas modifié le comportement.
Ils ont une couleur différente sur la carte :)
CN3 est blanc et CN4 est bleu
- À la mise sous tension : aucun claquement, silence total, aucune LED sur la Main PWB.
Pour les cartes : les techniciens ont remplacé l’ensemble du bloc de cartes, mais à chaque redémarrage même résultat : aucune LED, aucun démarrage, comme si la carte venait de “mourir” immédiatement — alors qu’aucun composant n’était noirci.
- Je n’ai pas encore mesuré les 35 V vers les UI.
- Concernant le ventilateur, je note votre remarque, je testerai pour écarter cette piste.
Point important :
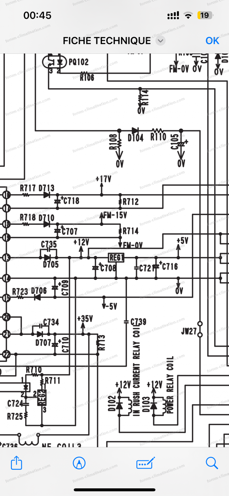
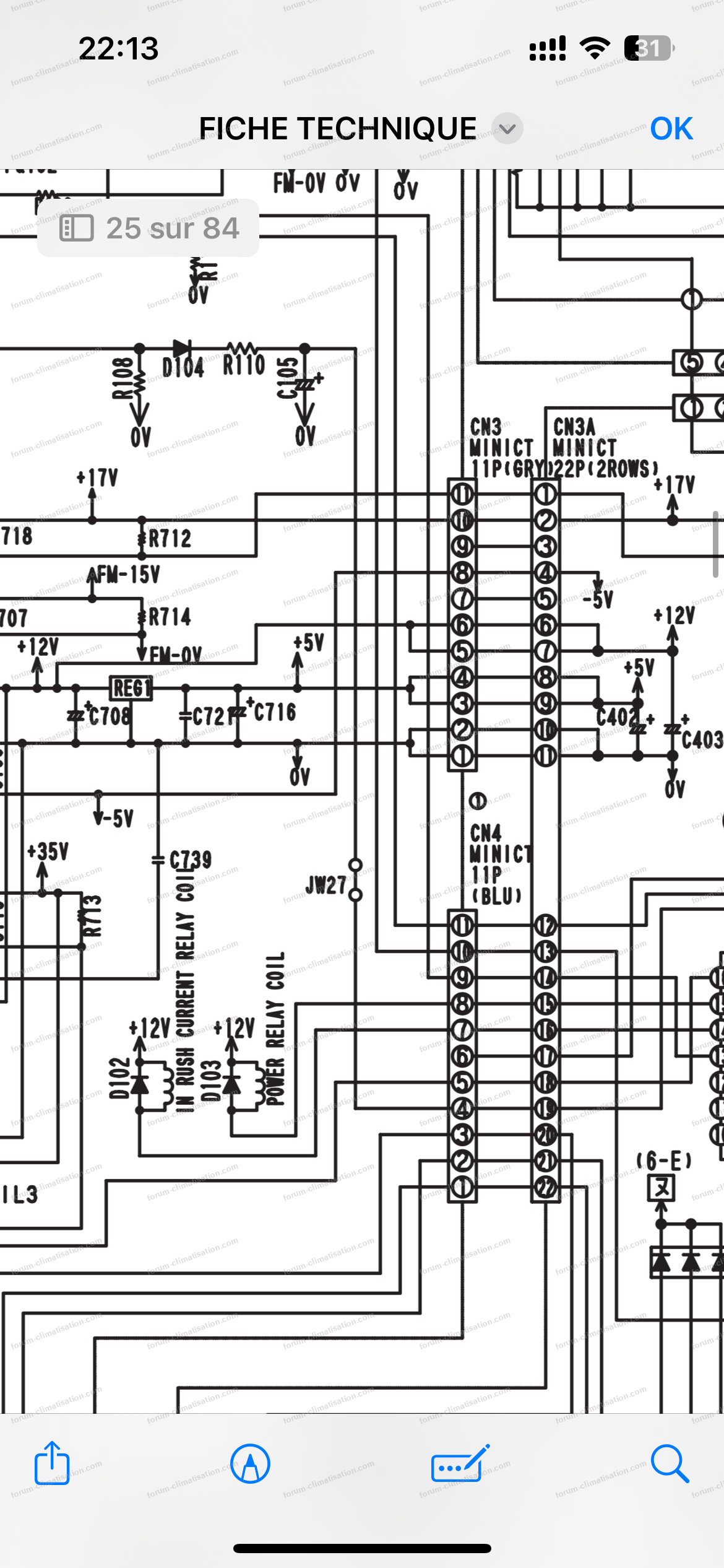
J’ai mesuré la sortie de REG1 directement sur la Power PWB ; malgré une tension instable entre 3 et 4,5 V (certainement suffisante pour alimenter les LED … ), et bien sur C402 (côté Main PWB) je mesure 0 V !
Donc le 5 V n’arrive même pas jusqu’à la logique de la carte MAIN, ce qui expliquerait l’absence totale de LEDs et d’activité.
Je joins une vue plus large du schéma autour de REG1 pour faciliter l’analyse.
J’ai la carte entre les mains pour des tests hors tension. Au multimètre si ça peut aider au diag.
Pour agrandir l'image, cliquez dessus.

Voici les précisions sur les mesures :
- Avec tout branché, en entrée de REG1 j’obtiens 7–8 V au lieu des 12 V attendus, et en sortie ça oscille mais reste plutôt autour de 2–3 V parfois 4V (je prenait la terre sur la terre du régulateur la patte du milieu)
- Je suis certain que c’est en débranchant CN4 que la tension d’entrée de REG1 est montée vers 30 V.
En revanche, débrancher CN3 n’a pas modifié le comportement.
Ils ont une couleur différente sur la carte :)
CN3 est blanc et CN4 est bleu
- À la mise sous tension : aucun claquement, silence total, aucune LED sur la Main PWB.
Pour les cartes : les techniciens ont remplacé l’ensemble du bloc de cartes, mais à chaque redémarrage même résultat : aucune LED, aucun démarrage, comme si la carte venait de “mourir” immédiatement — alors qu’aucun composant n’était noirci.
- Je n’ai pas encore mesuré les 35 V vers les UI.
- Concernant le ventilateur, je note votre remarque, je testerai pour écarter cette piste.
Point important :
J’ai mesuré la sortie de REG1 directement sur la Power PWB ; malgré une tension instable entre 3 et 4,5 V (certainement suffisante pour alimenter les LED … ), et bien sur C402 (côté Main PWB) je mesure 0 V !
Donc le 5 V n’arrive même pas jusqu’à la logique de la carte MAIN, ce qui expliquerait l’absence totale de LEDs et d’activité.
Je joins une vue plus large du schéma autour de REG1 pour faciliter l’analyse.
J’ai la carte entre les mains pour des tests hors tension. Au multimètre si ça peut aider au diag.
Pour agrandir l'image, cliquez dessus.

06 décembre 2025 à 22:21
Réponse 3 du forum-climatisation-climatiseurs
Clim RAM-130QH5 Hitachi en panne
Refaites des mesures sur la carte d'alim en enlevant CN3, car c'est lui qui dispatche les diverses tensions continues. Si une conso anormale apparaît sur l'autre carte, le fait de l'enlever devrait calmer l'alim. Dans ce cas, les 5V, 12V, -5V et 17V sont-ils nominaux et stables?
Je vous avais mal lu, car c'est en entrée du 7805 que vous avez vu 30V et non en sortie comme je le pensais. Dans ce cas, toutes les tensions de sortie doivent être à 2 ou 3 fois leur valeur... très dangereux pour les circuits alimentés en autre chose que le 5V (parce que le 7805 va normalement limiter à 5V, au prix d'un gros dégagement de chaleur.
D'autre part, tout connecté, comment le 5V à un bout du câble peut devenir 0V à l'autre bout, sachant que la connectique est doublée pour assurer la transmission (deux 0V et deux 5V)?... Problèmes de contact?
Bref travaillez sur la carte d'alim seule pour avancer. Et ne mettez pas de photos du schéma, je l'ai depuis plus de 10 ans... ;-)
Je vous avais mal lu, car c'est en entrée du 7805 que vous avez vu 30V et non en sortie comme je le pensais. Dans ce cas, toutes les tensions de sortie doivent être à 2 ou 3 fois leur valeur... très dangereux pour les circuits alimentés en autre chose que le 5V (parce que le 7805 va normalement limiter à 5V, au prix d'un gros dégagement de chaleur.
D'autre part, tout connecté, comment le 5V à un bout du câble peut devenir 0V à l'autre bout, sachant que la connectique est doublée pour assurer la transmission (deux 0V et deux 5V)?... Problèmes de contact?
Bref travaillez sur la carte d'alim seule pour avancer. Et ne mettez pas de photos du schéma, je l'ai depuis plus de 10 ans... ;-)
07 décembre 2025 à 18:26







