Recherche valeur condensateur carte clim Hitachi
Actuellement
10 366
questions dans le
forum climatisation
7823
Question Forum Dépannage Climatisation : Recherche valeur condensateur carte clim Hitachi
Bonjour.
Suite à panne de ma clim Hitachi, j'ai pu trouver sous une crotte de tarente un condensateur détérioré sur la carte réf : 1RZK93234B-01
Il porte la nomenclature C735 et en voici la photo.
J'ai auparavant montré la carte à un "dépanneur" mais il n'a pas su trouver la valeur du condensateur et n'a pas voulu prendre ma carte en réparation.
Si une âme charitable voulait bien me renseigner...
Merci.
Pour agrandir l'image, cliquez dessus.

Suite à panne de ma clim Hitachi, j'ai pu trouver sous une crotte de tarente un condensateur détérioré sur la carte réf : 1RZK93234B-01
Il porte la nomenclature C735 et en voici la photo.
J'ai auparavant montré la carte à un "dépanneur" mais il n'a pas su trouver la valeur du condensateur et n'a pas voulu prendre ma carte en réparation.
Si une âme charitable voulait bien me renseigner...
Merci.
Pour agrandir l'image, cliquez dessus.

17 juin 2022 à 17:53
Réponse 1 du forum-climatisation climatiseur
Recherche valeur condensateur carte clim Hitachi
Bonjour.
Ben la valeur est écrite dessus : marron noir rouge, donc 1000 (pF)... Cela dit, je doute fort que que changer cette capa résolve votre problème, car son rôle est tout sauf crucial...
J'ai tapé au hasard dans mes docs et le schéma joint est celui d'une RAM53. Il aurait été bon de donner la référence de votre machine et les symptômes de la panne.
Pour agrandir l'image, cliquez dessus.

Ben la valeur est écrite dessus : marron noir rouge, donc 1000 (pF)... Cela dit, je doute fort que que changer cette capa résolve votre problème, car son rôle est tout sauf crucial...
J'ai tapé au hasard dans mes docs et le schéma joint est celui d'une RAM53. Il aurait été bon de donner la référence de votre machine et les symptômes de la panne.
Pour agrandir l'image, cliquez dessus.

18 juin 2022 à 07:21
Réponse 2 du forum-climatisation climatiseur
Recherche valeur condensateur carte clim Hitachi
Bonjour Dom-Aom et merci pour votre intérêt.
L'ue est une référence RAC50DH7, installée en 2010 avec une UI gainable.
Les symptômes sont ; aucune mise en route compresseur/ventilo ext/ventilo int.
Déjà au début de l'hiver il me semble qu'elle m'a fait un caprice du même genre et après une coupure alim de 72/96 heures elle a daigné démarrer.
Je me dis que cette capa est peut-être intégrée au circuit commande/puissance et que sa mise en défaut empêche la mise en route ...
De plus un élément sur la même carte présente des signes de chauffe, sans conséquence selon la personne que j'ai consultée ... STR. F6523. SKODO3
Pour agrandir l'image, cliquez dessus.

L'ue est une référence RAC50DH7, installée en 2010 avec une UI gainable.
Les symptômes sont ; aucune mise en route compresseur/ventilo ext/ventilo int.
Déjà au début de l'hiver il me semble qu'elle m'a fait un caprice du même genre et après une coupure alim de 72/96 heures elle a daigné démarrer.
Je me dis que cette capa est peut-être intégrée au circuit commande/puissance et que sa mise en défaut empêche la mise en route ...
De plus un élément sur la même carte présente des signes de chauffe, sans conséquence selon la personne que j'ai consultée ... STR. F6523. SKODO3
Pour agrandir l'image, cliquez dessus.

18 juin 2022 à 07:51
Réponse 3 du forum-climatisation climatiseur
Recherche valeur condensateur carte clim Hitachi
... Ne consultez plus cette personne! :-)
Des dizaines de machines en panne sur ce forum à cause des STRF. Remplacez-le par un 6654.
Tapez "Hitachi ic1 ic2" dans le champ "Rechercher dans le forum" en haut de cette page, vous serez convaincu. Cela dit, je crois que c'est la 1ère fois que cette panne touche un gainable.
Des dizaines de machines en panne sur ce forum à cause des STRF. Remplacez-le par un 6654.
Tapez "Hitachi ic1 ic2" dans le champ "Rechercher dans le forum" en haut de cette page, vous serez convaincu. Cela dit, je crois que c'est la 1ère fois que cette panne touche un gainable.
18 juin 2022 à 10:07
Réponse 4 du forum-climatisation climatiseur
Recherche valeur condensateur carte clim Hitachi
Merci pour votre avis.
Je commande les pièces aussitôt que possible et vous tiens informé du résultat.
Bon week-end.
Je commande les pièces aussitôt que possible et vous tiens informé du résultat.
Bon week-end.
18 juin 2022 à 11:12
Réponse 5 du forum-climatisation climatiseur
Recherche valeur condensateur carte clim Hitachi
Bonjour.
Si vous cherchiez l'as des idiots, vous l'avez au bout du "fil".
J'ai reçu aujourd'hui mes composants et je les ai installés sur ma carte.
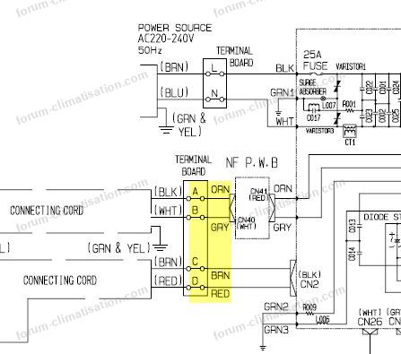
Au moment du recâblage de la carte, je me rend compte que les photos du câblage UE/UI sont parties avec le nettoyage de la mémoire de mon tel pro (tapez pas trop fort !!!)
Donc voilà, je me retrouve avec 4 fils Orange, Gris, Rouge et Marron devant être connectés sur A,B,C et D, mais dans quel ordre ???
Pour agrandir les images, cliquez dessus.




Si vous cherchiez l'as des idiots, vous l'avez au bout du "fil".
J'ai reçu aujourd'hui mes composants et je les ai installés sur ma carte.
Au moment du recâblage de la carte, je me rend compte que les photos du câblage UE/UI sont parties avec le nettoyage de la mémoire de mon tel pro (tapez pas trop fort !!!)
Donc voilà, je me retrouve avec 4 fils Orange, Gris, Rouge et Marron devant être connectés sur A,B,C et D, mais dans quel ordre ???
Pour agrandir les images, cliquez dessus.




22 juin 2022 à 19:07
Réponse 7 du forum-climatisation climatiseur
Recherche valeur condensateur carte clim Hitachi
Merci Dom.
Je reconnais avoir été quelque peu "léger" car en cherchant de la doc sur le web j'ai trouvé la réponse à ma question...
Revenons à nos moutons : Ca ne fonctionne toujours pas.
La led 301 clignote une fois à intervalles réguliers, j'ai pressé le "service-switch" et l'ensemble compresseur/ventilo UE/ventilo UI démarre.
Selon la notice, il me faut "checker" l'unité intérieure.
C'est un peu tendu pour y accéder alors je verrai ça demain (je devrais finir tôt) ou ce week-end.
Je vous tiens informé.
Je reconnais avoir été quelque peu "léger" car en cherchant de la doc sur le web j'ai trouvé la réponse à ma question...
Revenons à nos moutons : Ca ne fonctionne toujours pas.

La led 301 clignote une fois à intervalles réguliers, j'ai pressé le "service-switch" et l'ensemble compresseur/ventilo UE/ventilo UI démarre.
Selon la notice, il me faut "checker" l'unité intérieure.
C'est un peu tendu pour y accéder alors je verrai ça demain (je devrais finir tôt) ou ce week-end.
Je vous tiens informé.
23 juin 2022 à 18:28
Réponse 9 du forum-climatisation climatiseur
Recherche valeur condensateur carte clim Hitachi
Notre forum vous a aidé, aidez le forum !
Pour nous permettre de continuer à vous répondre, que les acteurs bénévoles de ces forums soient toujours à votre écoute, si vous pouvez, faites un don sur la cagnotte solidaire de Bricovidéo. leetchi.com pour soutenir les Forums
Si vous avez déjà participé à la cagnotte, nous vous en remercions.
Cordialement, l'équipe de Bricovideo.
Pour nous permettre de continuer à vous répondre, que les acteurs bénévoles de ces forums soient toujours à votre écoute, si vous pouvez, faites un don sur la cagnotte solidaire de Bricovidéo. leetchi.com pour soutenir les Forums
Si vous avez déjà participé à la cagnotte, nous vous en remercions.
Cordialement, l'équipe de Bricovideo.
24 juin 2022 à 09:45
Pour poser une réponse, vous devez être identifié.
Si vous ne possédez pas de compte, créez-en un ICI.
Si vous ne possédez pas de compte, créez-en un ICI.
Questions apparentées dans le forum Climatisation
- 1. Panne carte clim Toshiba MCC 867 - 04
- N°4763 : Bonjour. Je rencontre le même problème qu'Ector question 4705 : Recherche carte pour une clim Toshiba. J'ai changé le STRL 472. Mais ça ne marche toujours pas. JIMA dans la réponse parle de réveiller le composant. Je...
- 2. Hitachi RAM 52QH5 2 splits ne fonctionne plus
- N°8539 : Bonjour. Mon UE ne fonctionne plus depuis le 26 mars, suite à une intervention d'EDF sur le réseau et de nombreuses coupures durant deux jours. L'un de ses deux splits avait la LED jaune de fonctionnement normal en jaune fixe...
- 3. Panne clim Hitachi RAM 55 QH 5
- N°2444 : Bonjour. Problème clim Hitachi RAM 55 QH 5 Ni l'unité extérieure, ni les 2 unités intérieures ne démarrent (aucune indication que ces unités soient sous tension). Aucune diode d'indication de panne sur le code de défaut...
- 4. Problème PAC AIR/AIR HITACHI RAM80-QH5
- N°2980 : Bonjour, Je viens sur ce forum pour trouver de l'aide à mon problème. Je vous remercie d'avance pour l'aide que vous pourrez m'apporter J'ai une PAC HITACHI avec 2 blocs extérieurs RAM80-QH5 et 2x4 splits depuis 2006....
- 5. Problème led 301 carte unité extérieure Hitachi
- N°8240 : Bonjour à tous. J'ouvre ma propre question suite à la question 8202 : Clim Hitachi clignote orange 12 fois Unité extérieure RAC 50WEC Hitachi. Problème de 12 clignotements du voyant timer sur unité...
- 6. Où acheter un condensateur pour une clim Zenith
- N°2966 : Bonjour. J'ai un condensateur sur une clim Zenith qui est HS. Je voudrais le changer mais je n'arrive pas à trouver où je peux me le fournir. Les références inscrites sur le condensateur cd 291 400v 820 µF Merci de...
- 7. Problème clim Hitachi ram-55qh5, Split rak-35nh6
- N°4908 : Bonjour. J’ai un problème sur le deuxième Split d'une clim Hitachi ram-55qh5. Quand j'allume le 1er Split le compresseur s'enclenche et du frais sort sans problème mais quand j’allume le deuxième Split celui-ci s'allume...
- 8. Panne clim Hitachi RAC506DH7
- N°2949 : Bonjour. Ceci est ma première question sur ce forum. Ma clim HITACHI est apparemment en panne et les symptômes sont les suivants : cela a commencé en fin de l'hiver dernier quand je l'ai mise sur "ON", le ventilateur du...
- 9. 2 unités sur 3 fonctionnent sur pompe à chaleur Hitachi
- N°2452 : Bonjour, J'ai 2 unités sur 3 qui fonctionnent sur ma pompe à chaleur Hitachi. UE RAM 130 HQ UI RAK 35 QH 8 Sur UE j'ai 2 moteurs donc circuit bien distinct, le circuit du bas, moteur bas de L'UE et commandant les pièces du...
- 10. Code erreur 04 PAC Sanyo Prothea en relève de chaudière
- N°5042 : Bonsoir à tous, Nous avons fait installer en 2009 une PAC air/eau Sanyo – Prothea (Module extérieur Sanyo SPW-C606VEH - Module intérieur Prothea) en relève de chaudière au fioul. Jusqu’à hier, nous n’avions pas eu...
Informations sur le forum Climatisation
Informations sur le moteur du forum Mentions légalesMentions légales :Le contenu, textes, images, illustrations sonores, vidéos, photos, animations, logos et autres documents constituent ensemble une œuvre protégée par les lois en vigueur sur la propriété intellectuelle (article L.122-4).
Aucune exploitation commerciale ou non commerciale même partielle des données qui sont présentées sur ce site ne pourra être effectuée sans l'accord préalable et écrit de la SARL Bricovidéo.
Toute reproduction même partielle du contenu de ce site et de l'utilisation de la marque Bricovidéo sans autorisation sont interdites et donneront suite à des poursuites. >> Lire la suite









