Erreur E1 climatisation Icestream
Actuellement
10 510
questions dans le
forum climatisation
10464
Question Forum Dépannage Climatisation : Erreur E1 climatisation Icestream
Bonjour à tous, et merci pour votre aide (désolé du roman)
Référence climatisation : Marque icestream Réf clim ext : ISST122DRO Ref clim int ISST122DR
Problème initial :
Clim en marche
Coupure de courant complète (différentiel 30ma qui a sauté sur ma 2nd ligne du tableau et le différentiel général 500ma également).
Du coup je cherche le circuit coupable en remontant un à un les disjoncteurs de la ligne 2 et je me rends compte que c’est le circuit de climatisation qui me fait sauter le différentiel.
À chaque fois que je remets le disjoncteur de la clim le différentiel 30ma saute => fuite a la terre franche
Si je déconnecte l'alimentation de la climatisation sur le bornier externe, ça ne saute plus => pas de problème de circuit électrique sur mon alimentation
Première analyse:
Je mesure en ohmmètre (calibre 200 kOhm) sur le bornier de la climatisation externe.
N → Terre = 150 à 180 kΩ = défaut d'isolement mesuré (L -> terre OK, pas de fuite).
J’ai fait cette mesure avec L et N du circuit d’alimentation branché sur le bornier externe, puis en ayant débranché L et N, j’ai le même constat. Je n’ai pas souvenir quand j’ai fait cette mesure avec W, 1(L), 2(N) et S débranché.
J’en déduis qu’il y a un défaut d’isolement entre le neutre et la terre, ce qui conduit à faire sauter de suite le différentiel 30ma de la ligne de mon tableau.
Deuxième analyse (avec un collègue) quelques jours plus tard :
Si on remet le disjoncteur clim, ça ressaute direct de nouveau.
Puis on fait quelques tests en voltmètre, on débranche, rebranche, …
Et un moment, on se dit qu’on va alimenter la climatisation sur une autre prise.
Et là, miracle, sur l’autre circuit, le différentiel ne saute plus !! Mais rien ne se passe sur l’unité extérieure, le ventilateur et le compresseur de l’unité externe ne se mettent pas en marche, l’unité intérieur elle s’allume, mais E1 s’affiche sur son écran au bout de 5 minutes, et aucune réaction de l’unité extérieure.
Je trouve cela très bizarre, je me dis que si mon différentiel ne saute plus, c’est que j’ai un problème sur ma terre sur ce circuit là et qu’il ne détecte pas donc une potentiel fuite.
Mais non, je vérifie tout OK avec ma terre.
Donc je décide de me rebrancher sur le circuit initial (là ou le différentiel sautait à chaque fois) et là, exactement les mêmes symptômes que précédemment, le différentiel ne saute plus, rien, et E1 s’affiche au bout de 5 minutes sur l’unité intérieure.
J’en conclus que quelque chose a changé (grillé ?) pour que je me retrouve dans une situation différente que le problème initial
On pense donc à la carte de l’unité extérieure.
Troisième analyse :
Cette analyse a pour but de valider notre hypothèse de carte de l’unité extérieur HS. On décide donc de tester le ventilateur DC 3 broches et le compresseur.
Test du ventilateur DC brushless 3 broches (fil bleu, jaune et blanc) :
En ohmmètre, je mesure (calibre 2000), les 3 valeurs donnent 72 ohm (valeur Bleu ↔ Blanc, valeur Bleu ↔ Jaune, valeur blanc ↔ Jaune)
Je mesure également une potentielle continuité entre les 3 broches du ventilateur et une terre (pris sur la carcasse de la clim) et je n’ai aucune continuité. Pas de fuite vers la terre
Test du ventilateur DC 3 broches (fil bleu, jaune et blanc) :
Test du compresseur 3 broches (noir, rouge, bleu) (calibre 200M) réf. 11103020000279 (Compresseur – DC Inverter Rotary Compressor KSK89D53UEZ RoHS – MIDEA) ,
En ohmmètre, je mesure (calibre 200M), Rouge ↔ Noir = 02.6, Rouge ↔ Bleu = 02.6 Ω, Noir ↔ Bleu = 2.6 Ω => j'ai les mêmes valeurs partout.
Ce qui selon Gemini, est une bonne valeur de résistance pour ce modèle
Test également des continuités à la terre (carcasse), aucune continuité
Fort de cette analyse, je décide de changer la carte externe.
Changement de la carte externe :
J’ai démonté la carte externe complètement pour prendre sa référence :
KFR-35W/BP3N1-(S6E2H1+IKCM15L60).D.13.WP2-1
PCB 17122000040049
[2.4] 2018-12-20
Je commande EXACTEMENT, la même carte sur Ali Express
Post-changement de la carte extérieure :
Après changement de la carte extérieure, je me retrouve exactement avec le même comportement (sans fuite à la terre), à savoir que rien ne se passe sur l’unité extérieure, le ventilateur et le compresseur de l’unité externe ne se mettent pas en marche, l’unité intérieure elle s’allume, mais E1 s’affiche sur son écran au bout de 5 minutes, et aucune réaction de l’unité extérieure.
J’en ai profité que la climatisation était démontée pour observer ce qu’il se passait au niveau de la nouvelle carte (je n’avais pas fait ces tests avec l’ancienne carte)
La led rouge de la carte extérieure dès mise en marche clignote lentement, puis au bout de 5 minutes, clignote rapidement et l’erreur E1 s’affiche. A noter que si je débranche le compresseur ou/et le ventilo, ça clignote rapidement bien avant les délais de 5 minutes et puis erreur E1.
Autre test que j’ai fait :
Mesure en ohmmètre (calibre 200kOhm) des 3 sondes extérieures discharge temp sensor (valeur 89.7), condenser temp sensor (15.6) et ambient temp sensor (15.8), ce qui sont des valeurs parfaitement cohérentes de la spécification technique.
Mesure en voltmètre continu entre S et N sur boitier externe pour vérifier qu’il y a bien une communication, j’ai des valeurs qui oscille bien entre le négatif et le positif (plage -20V + 20V)
Je dois vous avouer, que je suis à sec, la carte que j'ai acheté n'a pas le même firmware et ne dialogue pas, problème de la carte ui interne .
D'avance merci pour votre aide :)
Bonne soirée.
Référence climatisation : Marque icestream Réf clim ext : ISST122DRO Ref clim int ISST122DR
Problème initial :
Clim en marche
Coupure de courant complète (différentiel 30ma qui a sauté sur ma 2nd ligne du tableau et le différentiel général 500ma également).
Du coup je cherche le circuit coupable en remontant un à un les disjoncteurs de la ligne 2 et je me rends compte que c’est le circuit de climatisation qui me fait sauter le différentiel.
À chaque fois que je remets le disjoncteur de la clim le différentiel 30ma saute => fuite a la terre franche
Si je déconnecte l'alimentation de la climatisation sur le bornier externe, ça ne saute plus => pas de problème de circuit électrique sur mon alimentation
Première analyse:
Je mesure en ohmmètre (calibre 200 kOhm) sur le bornier de la climatisation externe.
N → Terre = 150 à 180 kΩ = défaut d'isolement mesuré (L -> terre OK, pas de fuite).
J’ai fait cette mesure avec L et N du circuit d’alimentation branché sur le bornier externe, puis en ayant débranché L et N, j’ai le même constat. Je n’ai pas souvenir quand j’ai fait cette mesure avec W, 1(L), 2(N) et S débranché.
J’en déduis qu’il y a un défaut d’isolement entre le neutre et la terre, ce qui conduit à faire sauter de suite le différentiel 30ma de la ligne de mon tableau.
Deuxième analyse (avec un collègue) quelques jours plus tard :
Si on remet le disjoncteur clim, ça ressaute direct de nouveau.
Puis on fait quelques tests en voltmètre, on débranche, rebranche, …
Et un moment, on se dit qu’on va alimenter la climatisation sur une autre prise.
Et là, miracle, sur l’autre circuit, le différentiel ne saute plus !! Mais rien ne se passe sur l’unité extérieure, le ventilateur et le compresseur de l’unité externe ne se mettent pas en marche, l’unité intérieur elle s’allume, mais E1 s’affiche sur son écran au bout de 5 minutes, et aucune réaction de l’unité extérieure.
Je trouve cela très bizarre, je me dis que si mon différentiel ne saute plus, c’est que j’ai un problème sur ma terre sur ce circuit là et qu’il ne détecte pas donc une potentiel fuite.
Mais non, je vérifie tout OK avec ma terre.
Donc je décide de me rebrancher sur le circuit initial (là ou le différentiel sautait à chaque fois) et là, exactement les mêmes symptômes que précédemment, le différentiel ne saute plus, rien, et E1 s’affiche au bout de 5 minutes sur l’unité intérieure.
J’en conclus que quelque chose a changé (grillé ?) pour que je me retrouve dans une situation différente que le problème initial
On pense donc à la carte de l’unité extérieure.
Troisième analyse :
Cette analyse a pour but de valider notre hypothèse de carte de l’unité extérieur HS. On décide donc de tester le ventilateur DC 3 broches et le compresseur.
Test du ventilateur DC brushless 3 broches (fil bleu, jaune et blanc) :
En ohmmètre, je mesure (calibre 2000), les 3 valeurs donnent 72 ohm (valeur Bleu ↔ Blanc, valeur Bleu ↔ Jaune, valeur blanc ↔ Jaune)
Je mesure également une potentielle continuité entre les 3 broches du ventilateur et une terre (pris sur la carcasse de la clim) et je n’ai aucune continuité. Pas de fuite vers la terre
Test du ventilateur DC 3 broches (fil bleu, jaune et blanc) :
Test du compresseur 3 broches (noir, rouge, bleu) (calibre 200M) réf. 11103020000279 (Compresseur – DC Inverter Rotary Compressor KSK89D53UEZ RoHS – MIDEA) ,
En ohmmètre, je mesure (calibre 200M), Rouge ↔ Noir = 02.6, Rouge ↔ Bleu = 02.6 Ω, Noir ↔ Bleu = 2.6 Ω => j'ai les mêmes valeurs partout.
Ce qui selon Gemini, est une bonne valeur de résistance pour ce modèle
Test également des continuités à la terre (carcasse), aucune continuité
Fort de cette analyse, je décide de changer la carte externe.
Changement de la carte externe :
J’ai démonté la carte externe complètement pour prendre sa référence :
KFR-35W/BP3N1-(S6E2H1+IKCM15L60).D.13.WP2-1
PCB 17122000040049
[2.4] 2018-12-20
Je commande EXACTEMENT, la même carte sur Ali Express
Post-changement de la carte extérieure :
Après changement de la carte extérieure, je me retrouve exactement avec le même comportement (sans fuite à la terre), à savoir que rien ne se passe sur l’unité extérieure, le ventilateur et le compresseur de l’unité externe ne se mettent pas en marche, l’unité intérieure elle s’allume, mais E1 s’affiche sur son écran au bout de 5 minutes, et aucune réaction de l’unité extérieure.
J’en ai profité que la climatisation était démontée pour observer ce qu’il se passait au niveau de la nouvelle carte (je n’avais pas fait ces tests avec l’ancienne carte)
La led rouge de la carte extérieure dès mise en marche clignote lentement, puis au bout de 5 minutes, clignote rapidement et l’erreur E1 s’affiche. A noter que si je débranche le compresseur ou/et le ventilo, ça clignote rapidement bien avant les délais de 5 minutes et puis erreur E1.
Autre test que j’ai fait :
Mesure en ohmmètre (calibre 200kOhm) des 3 sondes extérieures discharge temp sensor (valeur 89.7), condenser temp sensor (15.6) et ambient temp sensor (15.8), ce qui sont des valeurs parfaitement cohérentes de la spécification technique.
Mesure en voltmètre continu entre S et N sur boitier externe pour vérifier qu’il y a bien une communication, j’ai des valeurs qui oscille bien entre le négatif et le positif (plage -20V + 20V)
Je dois vous avouer, que je suis à sec, la carte que j'ai acheté n'a pas le même firmware et ne dialogue pas, problème de la carte ui interne .
D'avance merci pour votre aide :)
Bonne soirée.
19 février 2026 à 21:59
Réponse 1 forum climatisation climatiseurs
Erreur E1 climatisation Icestream
Bien sur. Ma dernière phrase est une interrogation :
Je dois vous avouer, que je suis à sec, la carte que j'ai acheté n'a pas le même firmware et ne dialogue pas? problème de la carte ui interne ? autres.
Je dois vous avouer, que je suis à sec, la carte que j'ai acheté n'a pas le même firmware et ne dialogue pas? problème de la carte ui interne ? autres.
20 février 2026 à 00:33
Réponse 2 forum climatisation climatiseurs
Erreur E1 climatisation Icestream
Bonjour.
Pas de problème pour lire un roman bien écrit et carré dans sa démarche! :-)
Sur ce forum, plusieurs cas d'électrovanne avec problème d'isolement entre l'un des 4 enroulements et la terre, cela provoquait une disjonction, et pouvait détruire le circuit qui pilote l'EV. Voyez ce point, ça ne mange pas de pain. Les résistances d'enroulements sont classiquement de 47 ohms, ou 94 si 2 en série ; vous devez (évidemment) avoir l'infini entre eux et la masse métallique. A mesurer courant coupé et câble débranché.
Les drivers d'EV sont souvent des ULN2003 ou des M54523. Si votre problème est bien lié à l'EV, alors il se peut que le circuit concerné soit détruit. L'EV sert à doser la quantité de gaz envoyée à l'UI.
Pas de problème pour lire un roman bien écrit et carré dans sa démarche! :-)
Sur ce forum, plusieurs cas d'électrovanne avec problème d'isolement entre l'un des 4 enroulements et la terre, cela provoquait une disjonction, et pouvait détruire le circuit qui pilote l'EV. Voyez ce point, ça ne mange pas de pain. Les résistances d'enroulements sont classiquement de 47 ohms, ou 94 si 2 en série ; vous devez (évidemment) avoir l'infini entre eux et la masse métallique. A mesurer courant coupé et câble débranché.
Les drivers d'EV sont souvent des ULN2003 ou des M54523. Si votre problème est bien lié à l'EV, alors il se peut que le circuit concerné soit détruit. L'EV sert à doser la quantité de gaz envoyée à l'UI.
20 février 2026 à 10:24
Réponse 3 forum climatisation climatiseurs
Erreur E1 climatisation Icestream
Bonjour.
Merci pour votre réponse.
Je suis loin d'être un pro, c'est la première fois que j'interviens sur un circuit de clim : j'ai quelques notions d'électricité, de bricolage et un peu d'électronique.
Pour être sur de l'électrovanne concernée, c'est bien l'EEV (Electronic expansion valve) ?
Voir en pièce jointe sur le schéma électrique (en violet ce que j'ai sur ma clim, en rouge croix ceux qui n'est pas présent) mais sur ma carte
sur ma carte, j'ai les entrées suivantes :
3 broches U V W pour le compresseur (CN 50)
3 broches pour le ventilateur brushless DC (CN7)
Le connecteur CN21 vers les 3 senseurs de température (discharge temp sensor, condenser temp sensor, ambient temp sensor)
Les 2 broches pour la vanne 4 way.
Ici l'EEV en CN31, je ne l'ai pas, c'est confirmé par la photo de ma carte où j'entoure en rouge CN31 sur la carte/
Donc à première vue, si je ne me trompe pas, je n'ai pas cet EV.
Par contre, je me rend compte que mon analyse manque cruellement d'un test, j'ai mesuré si y avait une continuité avec la terre pour le compresseur et le ventilateur.
Par contre, je ne l'ai pas fait pour toutes les sondes de températures du CN21 ni pour la vanne 4 way, j'ai juste mesuré leur résistance interne.
Pour avancer comme prochain test, je vois :
- vérifier si pas de fuite à la terre de ces sondes de température + 4way (mais en toute logique, non, car sinon mon différentiel sauterait)
Câble de communication entre l'UI et l'UE HS ? => je vais tirer un câble 5 fils temporaires (terre, neutre, phase, signal S et W) entre l'UI et l'UE pour éliminer tout problème du câble encastré
Problème sur la carte de l'UI interne (mais j'aimerai être sur avant de tenter le changement et d'engager des frais)
Problème sur la nouvelle carte UE que j'ai commandé et qui n'assure pas la communication avec l'interne
Car E1 = problème de communication UI - UE
Si vous voyez d'autres pistes je suis preneur
Encore merci pour votre réponse.
Pour agrandir les images, cliquez dessus.


Merci pour votre réponse.
Je suis loin d'être un pro, c'est la première fois que j'interviens sur un circuit de clim : j'ai quelques notions d'électricité, de bricolage et un peu d'électronique.
Pour être sur de l'électrovanne concernée, c'est bien l'EEV (Electronic expansion valve) ?
Voir en pièce jointe sur le schéma électrique (en violet ce que j'ai sur ma clim, en rouge croix ceux qui n'est pas présent) mais sur ma carte
sur ma carte, j'ai les entrées suivantes :
3 broches U V W pour le compresseur (CN 50)
3 broches pour le ventilateur brushless DC (CN7)
Le connecteur CN21 vers les 3 senseurs de température (discharge temp sensor, condenser temp sensor, ambient temp sensor)
Les 2 broches pour la vanne 4 way.
Ici l'EEV en CN31, je ne l'ai pas, c'est confirmé par la photo de ma carte où j'entoure en rouge CN31 sur la carte/
Donc à première vue, si je ne me trompe pas, je n'ai pas cet EV.
Par contre, je me rend compte que mon analyse manque cruellement d'un test, j'ai mesuré si y avait une continuité avec la terre pour le compresseur et le ventilateur.
Par contre, je ne l'ai pas fait pour toutes les sondes de températures du CN21 ni pour la vanne 4 way, j'ai juste mesuré leur résistance interne.
Pour avancer comme prochain test, je vois :
- vérifier si pas de fuite à la terre de ces sondes de température + 4way (mais en toute logique, non, car sinon mon différentiel sauterait)
Câble de communication entre l'UI et l'UE HS ? => je vais tirer un câble 5 fils temporaires (terre, neutre, phase, signal S et W) entre l'UI et l'UE pour éliminer tout problème du câble encastré
Problème sur la carte de l'UI interne (mais j'aimerai être sur avant de tenter le changement et d'engager des frais)
Problème sur la nouvelle carte UE que j'ai commandé et qui n'assure pas la communication avec l'interne
Car E1 = problème de communication UI - UE
Si vous voyez d'autres pistes je suis preneur
Encore merci pour votre réponse.
Pour agrandir les images, cliquez dessus.


20 février 2026 à 12:43
Réponse 4 forum climatisation climatiseurs
Erreur E1 climatisation Icestream
Oui, EV = EEV, rares sont les clims inverter qui n'ont pas cette EV. Du coup, on confie toute la régulation à la vitesse du compresseur. Il est vrai qu'on peut se passer de cette EV sur un monosplit. Obligatoire par contre sur un multi pour doser les apports en gaz suivant les demandes des UI.
Oui, tentez l'isolation des sondes si elles se présentent sous la forme d'un cylindre de cuivre, sans trop de conviction.
Pour la communication, vous pouvez ouvrir la connexion et mesurer ce que donne l'UI et ce que donne l'UE. Si l'une d'elles a un signal plat, ce pourra être un indice. J'ai cherché le manuel technique de votre machine, sans succès...
Oui, tentez l'isolation des sondes si elles se présentent sous la forme d'un cylindre de cuivre, sans trop de conviction.
Pour la communication, vous pouvez ouvrir la connexion et mesurer ce que donne l'UI et ce que donne l'UE. Si l'une d'elles a un signal plat, ce pourra être un indice. J'ai cherché le manuel technique de votre machine, sans succès...
20 février 2026 à 18:55
Réponse 5 forum climatisation climatiseurs
Erreur E1 climatisation Icestream
Bonjour et encore merci pour votre réponse.
Pour le manuel, j'ai trouvé en recherchant des infos sur ma carte Midea, une configuration d'une clim Midea très similaire il faut rechercher "MIDA-DLFSHAH09XAK_sm" PDF sur Google .
lien : https://www.google.com/url?sa=t&source=web&rct=j&opi=89978449&url=https://www.partstown.com/modelManual/MIDA-DLFSHAH09XAK_sm.pdf%3Fv%3D1670948470557%26srsltid%3DAfmBOoqJ1J491uP5gGh4e7fZooKz2YBrX1-XaQ0cn3v-4r4NACups7Bb
En page 9, on retrouve le schéma d'une carte US-KFR-35W/BP3N1-(115V+RX62T+41560).D.13.WP2-1
Avec en page 87 la procédure de diagnostic pour l'erreur E1 j'ai fait ces tests sauf pour le reactor que je ne trouve pas sur ma clim => il doit être sur la carte directement.
J'ai vérifié la fluctuation de voltage entre N et S comme vous l'indiquez, mais uniquement sur l'unité extérieure => j'ai bien une variation du négatif au positif (plage moyenne -20V + 20V), je vais le faire sur l'UI.
Exemple d'autres documentations intéressantes dont je me sers :
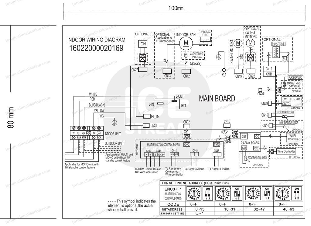
schéma de câblage carte UI et UE Circuit-électrique-ISST-122DR PDF
Pour agrandir les images, cliquez dessus.


Et pour les références de mes pièces, j'utilise ISST122DRO-Outdoor-unit-Exploded-view :
Outdoor unit exploded
Bonne soirée.
Pour le manuel, j'ai trouvé en recherchant des infos sur ma carte Midea, une configuration d'une clim Midea très similaire il faut rechercher "MIDA-DLFSHAH09XAK_sm" PDF sur Google .
lien : https://www.google.com/url?sa=t&source=web&rct=j&opi=89978449&url=https://www.partstown.com/modelManual/MIDA-DLFSHAH09XAK_sm.pdf%3Fv%3D1670948470557%26srsltid%3DAfmBOoqJ1J491uP5gGh4e7fZooKz2YBrX1-XaQ0cn3v-4r4NACups7Bb
En page 9, on retrouve le schéma d'une carte US-KFR-35W/BP3N1-(115V+RX62T+41560).D.13.WP2-1
Avec en page 87 la procédure de diagnostic pour l'erreur E1 j'ai fait ces tests sauf pour le reactor que je ne trouve pas sur ma clim => il doit être sur la carte directement.
J'ai vérifié la fluctuation de voltage entre N et S comme vous l'indiquez, mais uniquement sur l'unité extérieure => j'ai bien une variation du négatif au positif (plage moyenne -20V + 20V), je vais le faire sur l'UI.
Exemple d'autres documentations intéressantes dont je me sers :
schéma de câblage carte UI et UE Circuit-électrique-ISST-122DR PDF
Pour agrandir les images, cliquez dessus.


Et pour les références de mes pièces, j'utilise ISST122DRO-Outdoor-unit-Exploded-view :
Outdoor unit exploded
Bonne soirée.
20 février 2026 à 20:50
Réponse 6 forum climatisation climatiseurs
Erreur E1 climatisation Icestream
Bonjour.
Le 2ème lien donne erreur 404... On fera sans. Pour le 1er, dommage que la page 9 ne corresponde pas tout à fait à votre photo, en particulier au niveau des connexions reactor. Peut-être que ce dernier est caché quelque part sous la carte (c'est souvent le cas). Un PFC de clim inverter a besoin d'une inductance.
Vérifiez que les tensions aux secondaires de l'alim à découpage sont valides, mais cela suppose des points de test sur la carte indiqués en sérigraphie... Sans schéma détaillé, je me sens un peu désarmé pour vous aider efficacement...
Le 2ème lien donne erreur 404... On fera sans. Pour le 1er, dommage que la page 9 ne corresponde pas tout à fait à votre photo, en particulier au niveau des connexions reactor. Peut-être que ce dernier est caché quelque part sous la carte (c'est souvent le cas). Un PFC de clim inverter a besoin d'une inductance.
Vérifiez que les tensions aux secondaires de l'alim à découpage sont valides, mais cela suppose des points de test sur la carte indiqués en sérigraphie... Sans schéma détaillé, je me sens un peu désarmé pour vous aider efficacement...
21 février 2026 à 11:31








